YTC齿轮减速电机系列
您现在所在的位置:首页 > YTC齿轮减速电机系列YTC齿轮减速电机
发布日期:2022-10-26

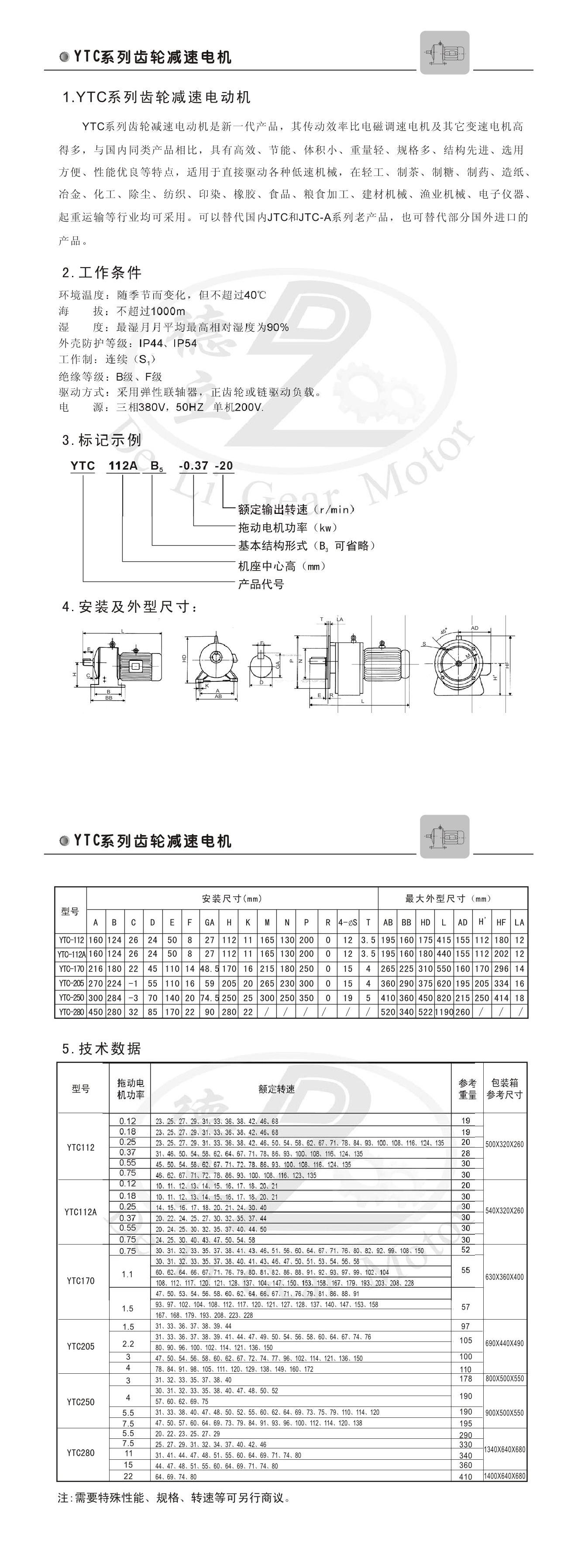
YTC系列齿轮减速电动机是新一代产品,其传动效率比电磁调速电机及其它变速电机高得多,与国内同类产品相比,具有高效、节能、体积小、重量轻、规格多、结构先进、选用方便、性能优良等特点,适用于直接驱动各种低速机械,在轻工、制茶、制糖、制药、造纸、冶金、化工、除尘、纺织、印染、食品、粮食加工、建材机械、渔业机械、电子仪器、起重运输等行业均可采用。可以替代国内JTC和JTC-A系列老产品,也可替代部分国外进口的产品。
YTC系列齿轮减速电机
YTC系列齿轮减速电机 简介:YTC系列齿轮减速电机 作为电动机的新一代产品,其传动效率和电磁调速电机相比更好,和其他产品相比,具有高效节能、质量轻、体积小、结构先进、使用方便的特点。
YTC系列齿轮减速电机 使用范围:广泛应用于轻工、制茶、制糖、冶金、化工、除尘、印染、建材机械、电子仪器、起重运输等行业,其使用范围非常广。
YTC系列齿轮减速电机 维护与安装:
1、确认外观是否破损,是否有漏油等情况出现
2、确认产品规格与设计规格是否相符,以免使用时出现故障
3、确认使用电压,如果出现电压不稳定可以选择安装稳压器
4、确认固定机座,避免运转传动时松脱
5、使用相关附件之前需要仔细阅读安装方法,保证安装方法的正确
6、使用时额定电流不可超过电机铭牌标示电流值
7、使用一段时间之后注意及时更换润滑油

浙公网安备 33060402001457号 备案号: